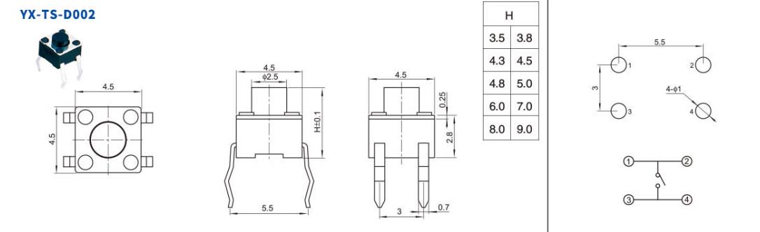
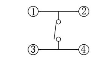
四腳輕觸開關引腳圖如下:
引腳1:常開端口
引腳2:與引腳1相通的端口
引腳3:常閉端口
引腳4:與引腳3相通的端口
通過電路圖大概可以知道,接線只需要1/2與3/4有接就可以,如果有需求,也可以4個針腳一起接,接線導通的大概就是1和3、1和4或者2和3、2和4

簡單來說,引腳1和2之間的電路被打開時,開關就處于“開啟”狀態。引腳2和3之間的電路被關閉時,開關就處于“關閉”狀態。當然,這四個引腳也可以根據需要進行連接或不連接。
四腳輕觸開關的設計也可以根據使用場景的需求進行修改。例如,它可以帶有燈或飛線(通常是小電路板)來方便安裝。此外,它還可以通過特殊的密封設計實現防水和防塵,以便在惡劣的環境中使用。
四腳輕觸開關的優點在于它容易安裝,壽命較長,使用壽命通常可以達到50至100萬次操作。此外,由于它只需要輕微的壓力來進行切換,因此它也可以在手部功能有限的人群中廣泛使用。
總之,四腳輕觸開關是一種廣泛應用于電子設備中的開關器件,它有著簡單易用的優點,同時可以根據需求進行定制。在未來,它將繼續發揮重要作用,為我們的生活和工作帶來更多的方便和效率。
上一篇:輕觸按鍵開關修復方法
下一篇:輕觸開關尺寸怎么看的